Description

New-style GU Key Wind gearboxes are available in a variety of different operations and are one of the biggest ranges of backsets on the market. They are available in 35mm, 45mm, 55mm, and 65mm backsets.

New-style GU locks can be differentiated from their old-style equivalents by the shape at the top of the gearbox. Old-style locks have the top corner removed, whereas new versions feature a vertical groove to help with bolts for handles. The two gearboxes are not compatible, so a new-style gearbox will not fit on an old-style multipoint lock.

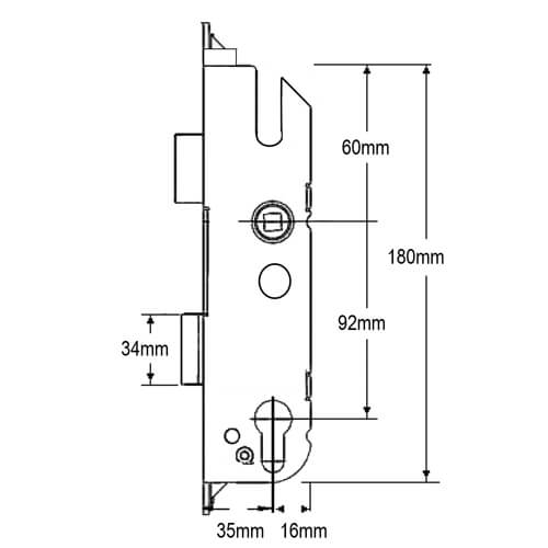
GU multipoint lock gearboxes feature a latch and deadbolt and measure 191mm high (excluding the fixing lugs) by the backset + 16mm wide. The latch is 32mm high, the deadbolt measures 35mm high and there is 54mm from the bottom of the latch to the top of the deadbolt.

GU gearboxes are fixed to their faceplates with 3 screws. The distance from the top to the middle screw is 108mm, while the middle screw to the bottom screw is 92mm.

Always allow 2mm when measuring your backset and the faceplate is still attached to the gearbox.

Use a spindle sleeve if required to work with an 8mm spindle (Product Code: SPINSLEEVE10 

We stock a range of associated products for GU Key Wind gearboxes, including multipoint door locks, keeps, spindles, handles and accessories.

To lock the door

1. On closing the door, the latch is automatically engaged.

2. Turn the key to throw and engage or “wind” out the locking points.

To unlock the door

1. Turn the key to unlock the door by “unwinding” the locking points.

2. A further quarter turn of the key will retract the latch.

Additional information

Backset

35mm, 45mm, 55mm, 65mm

Centres PZ

92mm

Width

51mm, 61mm, 71mm, 81mm

Height

180mm

Main Gearbox

Latch and deadbolt

Operation

Key Wind

Spindle

Single 10mm

Type

Gearbox

Handing

Not Handed

Cylinder Type

Euro

Genuine/Copy

Genuine

Packaging

Single

Reviews (0)

Be the first to review “GU New Style Keywind Genuine Gearbox”

Your email address will not be published. Required fields are marked *

Reviews

There are no reviews yet.

Product was successfully added to your cart!